6. Parallel circuits experiment
![]()
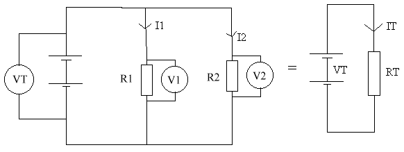
R1 R2 VT V1 V2 IT I1 I2 RT 2K2 3K3 15.1V 15.1V 15.1V 10.9mA 6.2mA 4.7mA 1K38 In this experiment, we were looking at the characteristics of a parallel circuit experiment. Let's look at a couple of things.
The reason the current is different is because it splits between the first & second bits. It splits if different proportions, because of the value of the resistors.
The reason the voltmeters are displaying the same reading is beacause they are all connected accross the battery. The ammeters have no resistance, so you can forget about them. If you move the voltmeter's connections to the place where the circuit splits, it makes no difference.
- The currents add together ( IT = I1 + I2 )
- The voltages (p.d's) are all equal ( VT = V1 = V2)
- The overall resistance is less than either of the the resistors present.
![]()
In resistors, we change the form of energy from electrical energy to heat energy. Power is the rate at which energy is converted. The first equation is a general physics equation. The second is the one you want. It's the same thing, only expressed in electrical terms.
- Power = Energy converted / time taken
- Electric power = Current * Voltage
- P = I * V
Power is measured in Watts. Other power equations are:
- P = I x V
- P = I² x R
- P = V² / R
The power rating of a resistor is the maximum power that it can take before overheating. If the power rating is exceeded, the resistance may change & it may become an open circuit, or a short circuit.
Usually, the power rating for small resistors is ¼ or ½ watts. For larger resistors, 1W, 2W, or even 10W is available.
9. Digital & analogue voltmeters
Digital
Analogue
Easier to read - greater accuracy due to greater amount of decimal places. Less accuracy. Needs batteries. Requires no batteries. Samples voltage about twice a second. Easier to read a changing voltage due to the continuous reading. Higher resistance (20M) Lower resistance (160K) Analogue means any value is possible. Digital means only 2 values are possible. These are normally referred to as 0 / 1 , or on/off.
Analogue devices
Digital devices
Light dependent resistor Car warning lights Thermometer Traffic lights Microphone Thermostat Loudspeaker Computer memory Television CD player 10. Logic - Digital electronics
In digital electronics, there are only 2 levels: on or off. These are normally represented as a 0 for off, & a 1 for on. It is also sometimes represented by a true / false conditions. The actual values can be anything, such as 5V or 0V. We use logic in gates. We display the results in a truth table.
For example, a fire alarm must sound if a switch is pressed (A) OR if a smoke detector is activated (B).
A
B
Q
0
0
0
0
1
1
1
0
1
1
1
1
This is basically saying that Q comes on when either A or B are on. Note that my drawing skills are not very good, especially when you couple them with a mouse. So the OR gate is meant to look like an arrowhead. The general shape is there, but you just need to straighten it up a little. Note that the circuit diagrams become a little complicated now. So from now on, if there is a dot at a crossing of 2 wires, then the wires are joined. If there is no dot, then the wires just cross, with no connection or electrical conductivity between them.
This circuit can be represented using the following circuit diagram:
This gate turns on when both A AND B are on. For example, we want the heating to come on (Q) if the time switch is on (A) and the temperature is below 20ºc (B)
A
B
Q
0
0
0
0
1
0
1
0
0
1
1
1
This can be represented using the following circuit diagram:
Q will be on if both A & B are on.
I will put the washing out (Q) if it is NOT raining (A)
A
B
0
1
1
0
A porch light (Q) must come on if it neither daylight (A) NOR after midnight (B)
A
B
Q
0
0
1
0
1
0
0
0
0
0
1
0
Q will be on if neither A nor B are on.
I will have breakfast today provided it is bacon NAND tomatoes (As long as it isn't bacon & tomatoes together).
A
B
Q
0
0
1
0
1
1
0
0
1
0
1
0
The NAND gate is the most difficult to understand. All the others are English words, so they are easier to understand. The thing about NOR & NAND gates is that they are like OR or AND gates, followed immediately by a NOT gate. So if you find them just to difficult, you can always remember them like that.
When asked to find a truth table for a circuit, it can sometimes be helpful to use extra letters. These are usually X & Y, but any letters can be used. The easiest way would be to look at the gate below.
The gates above are the only gates you need to know for the NEAB syllabus. But there is one other gate that is very useful. It is called the eXclusive OR (XOR). You can buy this in a chip, or you can build your own. It can be constructed in the following way.
![]()
A
B
X
Y
Z
Q
0
0
1
1
1
0
1
1
1
1
0
1
0
0
1
0
1
1
1
1
0
1
1
0